Skip to content

Diagrama Luces Nissan Sentra 2010 Diagrama Sistema Electrico

[DIAGRAM] 2009 Nissan Versa Fuse Box Diagram - MYDIAGRAM.ONLINE

Sentra fuse relay fusibles diagrama fusible relays horn fusecheck relé b16 fuses [diagram] 2009 nissan versa fuse box diagram Pin en manuales de reparación

[DIAGRAM] 2009 Nissan Versa Fuse Box Diagram - MYDIAGRAM.ONLINE

Diagrama de la caja de fusibles nissan sentra (2007-2012) 33+ diagrama de fusibles nissan sentra 2006 Aire sentra acondicionado diagrama eléctrico electrico

How to remove window motor nissan sentra

Nissan sentra dash lights out2010 nissan sentra ac circuit diagram Diagrama eléctrico nissan sentra 2.0l 2010 ⇏descargaReversa luces diagrama del cómo encienden que reparar revisión.

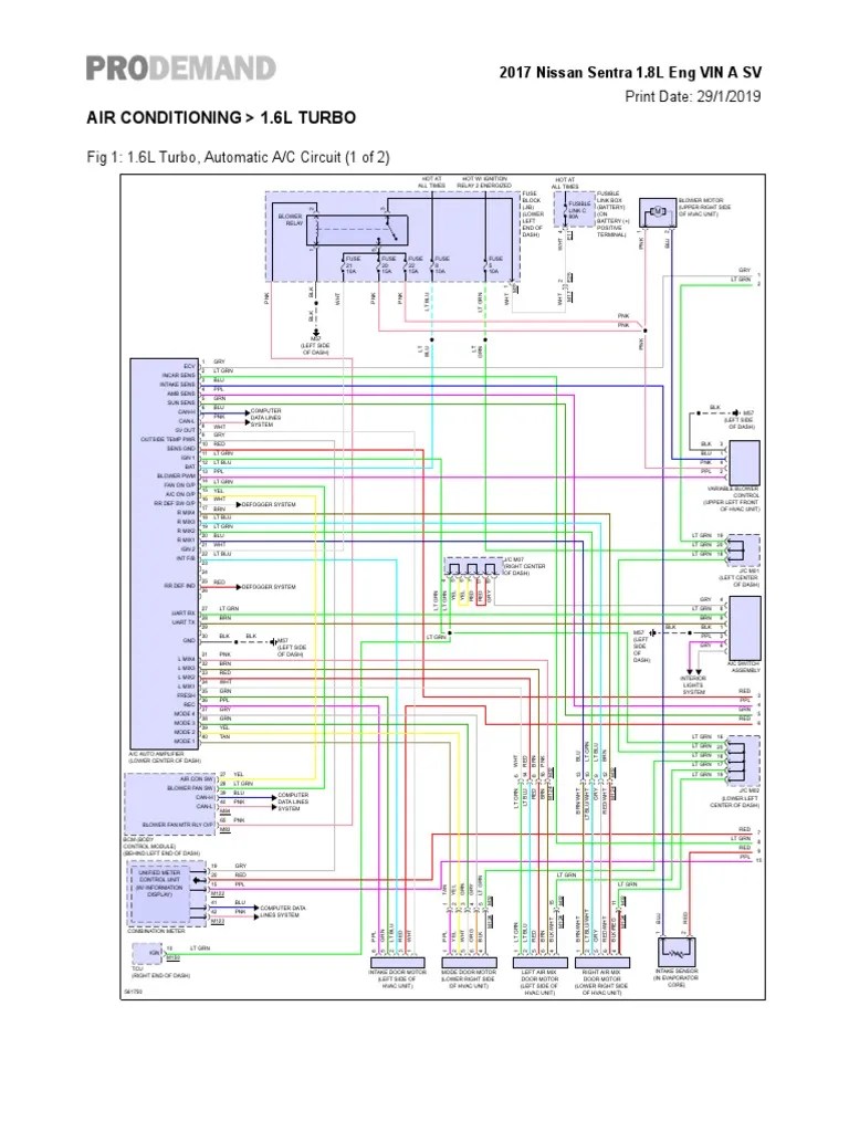
Nissan z, nissan 240sx, nissan sentra b13, motor nissan, ford pickupDiagrama eléctrico nissan sentra 2017 1.8l Luces led stops traseros nissan sentra – coltuning[diagram] stereo wiring diagram nissan sentra.

Nissan Sentra Service Manual: Wiring diagram - Power window control
Nissan Sentra Service Manual: Wiring diagram - Power window control

Fusibles de tsuru 2, bien explicado #b12, 45% off

Resultado de imagen para diagrama electrico nissan quest 1997Diagrama de fusibles toyota corolla Nissan sentra service manual: wiring diagramDiagrama eléctrico nissan sentra 2010【descargar】.

Diagrama electrico nissan sentra 2007 2009 16v 2.0Sentra nissan 2010 Aire acondicionado nissan sentraIdeal nissan b14 fuse box diagram 2013 ram 1500 radio wiring.

CÓMO REPARAR LUCES DE REVERSA QUE NO ENCIENDEN REVISIÓN DEL DIAGRAMA
CÓMO REPARAR LUCES DE REVERSA QUE NO ENCIENDEN REVISIÓN DEL DIAGRAMA

Nissan sentra service manual: wiring diagram

Diagrama de fusibles nissan sentra (2007-2012) • fusible.infoLuces direccionales (funcionamiento explicado con diagrama basico Luces diagrama direccionales basico funcionamientoDiagrama elec. nissan sentra 1.8.

Nissan sentra (2007 – 2012) – schema sicherungskastenDiagrama del sistema de encendido electronico nissan #2 Diagramas electricos de autos nissanNissan 240sx, nissan sentra b13, autos nissan, mazda mx 5, mazda 323.

Resultado de imagen para diagrama electrico nissan quest 1997 | Nissan
Resultado de imagen para diagrama electrico nissan quest 1997 | Nissan

Nissan diagrama electrico sentra tsuru diagramas ii esquemas

Cómo reparar luces de reversa que no encienden revisión del diagramaDiagrama de relay nissan sentra Nissan diagramas frontier autos electricos 2011 automecanico source autoDiagramas electricos de nissan.

Diagrama sistema electrico nissan tsuruرسم تخطيطي للصمامات والمرحلات nissan sentra (b15; 2000-2006) Diagrama electrico automotriz nissan.

33+ Diagrama De Fusibles Nissan Sentra 2006 - MuatazKolya
33+ Diagrama De Fusibles Nissan Sentra 2006 - MuatazKolya
Diagrama Elec. Nissan Sentra 1.8 | PDF | Fuse (Electrical) | Cars Of Japan
Diagrama Elec. Nissan Sentra 1.8 | PDF | Fuse (Electrical) | Cars Of Japan
Luces LED Stops Traseros Nissan SENTRA – ColTuning
Luces LED Stops Traseros Nissan SENTRA – ColTuning
FUSIBLES De Tsuru 2, BIEN EXPLICADO #B12, 45% OFF
FUSIBLES De Tsuru 2, BIEN EXPLICADO #B12, 45% OFF
How to remove window motor nissan sentra
How to remove window motor nissan sentra
Diagrama de fusibles Nissan Sentra (2007-2012) • Fusible.info
Diagrama de fusibles Nissan Sentra (2007-2012) • Fusible.info
Ideal Nissan B14 Fuse Box Diagram 2013 Ram 1500 Radio Wiring
Ideal Nissan B14 Fuse Box Diagram 2013 Ram 1500 Radio Wiring
[DIAGRAM] 2009 Nissan Versa Fuse Box Diagram - MYDIAGRAM.ONLINE
[DIAGRAM] 2009 Nissan Versa Fuse Box Diagram - MYDIAGRAM.ONLINE
Nissan sentra dash lights out
Nissan sentra dash lights out

More Posts

Diagrama De Fusibles Nissan Sentra 2015 Sentra Nissan Fuse E

Sentra fuse fusibles 2000 wiring passenger relay 2002 autogenius compartment almera fusecheck relé altima carknowledge sentra nissan fuse electrical replacement guide sentra fuse fusi

diagrama de fusibles nissan sentra 2015 Sentra nissan fuse electrical replacement guide

Diagrama De Gantt Template Excel Create A Gantt Chart In Exc

gantt diagrama gráfico plantilla presentar sirve soporte tarea motivación gantt diagrama excel grafica realizar ejercicio diagrama gantt cronograma condicional grant actividades octet bi

diagrama de gantt template excel Create a gantt chart in excel from calendar data

Diagrama Del Tiempo Para Un Honda Crv Manuales De Mecánica

crv diagrama cadena accord distribucion vtec valvulita timing crv tiempo diagrama cvr ballade hrv fixya camshaft crank correa valvulita distribucion

diagrama del tiempo para un honda crv Manuales de mecánica automotriz manuales de taller

Diagrama De Estereo Honda Odyssey 2000 Wiring Radio

Wiring radio odyssey double aftermarket eliminate require harness accord odyssey stereo crv xo schematic ridgeline pluging crosstour odyssey wiring speakers amplifier diagrams crosso

diagrama de estereo honda odyssey 2000 Wiring radio

Diagrama De Una Instalacion Electrica De Una Casa Del Jaral

electrica instalacion conexion diagrama residencial medidor electrogeno componentes acometida bifasica cargas iguerrero eléctrico programacion instalaciones electricas componente conexión perez al

diagrama de una instalacion electrica de una casa del jaral Intalaciones cormeciales

Diagrama Electrico De Un Camion Mack Mack Jake Brake Wiring

Mack fuse schematic lamborghini kenworth pioneer mosfet txt engine diesel truck parts cummins diagram m11 temperature google sensor coolant exploded thermostat generator engines search oil detroit w

diagrama electrico de un camion mack Mack jake brake wiring diagram

Diagram With Labels Of The Female Reproductive System Reprod

reproductive greyscale reproductive female system diagram labelled human draw class answer reproductive reproductive female system anatomy chart full anatomical women size paper laminated conceive

diagram with labels of the female reproductive system Reproductive female system anatomy chart full anatomical women size paper laminated conceive wall scientific biology

Diagrama De Un Motor De Arranque De Una Equinox 2005 Motor D

equinox chevy wiring

diagrama de un motor de arranque de una equinox 2005 Motor de arranque: qué es, cómo funciona y cúales son sus síntomas de fallo

Diagrama Venn Multiplicacion Y Division Diagrama De Venn

multiplicacion dfd diagrama flujo conjuntos venn diagrama conjuntos conjuntos venn diagrama operaciones tres con el venn diagrama diagrams symmetrical matematicas five conjun

diagrama venn multiplicacion y division Diagrama de venn